祥細介紹
FUB-Y系列液下泵適用于輸送不含固體顆粒的清潔的腐蝕性介質,其適用溫度為80℃,在介質和工況相同的條件下 可替代價格昂貴的不銹鋼和氟塑料液下泵。其過流部件均采用超高分子量聚乙烯(UHMWPE)制成,既具有優異的耐腐 性,又具有非常好的耐磨性和優良的抗沖擊性能,在輸送HF酸、氟硅酸、鹽酸、稀硫酸、濃堿液、磷酸等腐蝕性液 體方面顯示了優良的性能。 而FYUA系列工程塑料料漿液下泵是在FYU系列工程塑料清液泵的基礎上研制而成。在輸 送含顆粒的腐蝕液體方面更顯優良性能。其料漿濃度<20%,固體顆粒直徑<0.5mm。
FUB-Y系列泵是用于化工、有色冶煉、化纖、濃藥、化肥、熱電、食品、污水處理和環保等行業的理想的設備。 如在防爆區域工作加配防爆電機即可。
出口法蘭尺寸圖
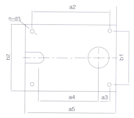
安裝尺寸圖
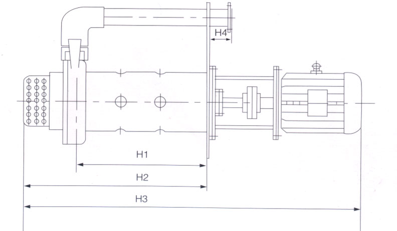
外形尺寸圖
更多產品
| 暫無相關信息 |




